038432
Код товара:
DEK_ARLT_038432
Артикул:
DEK_ARLT_038432
Производители
Arlight
UPC:
DEK_ARLT_038432
MPN:
038432
Наличие:
112
2763 р.

Артикул товара: 038432 Штрихкод: 4650168547716

Характеристики товара

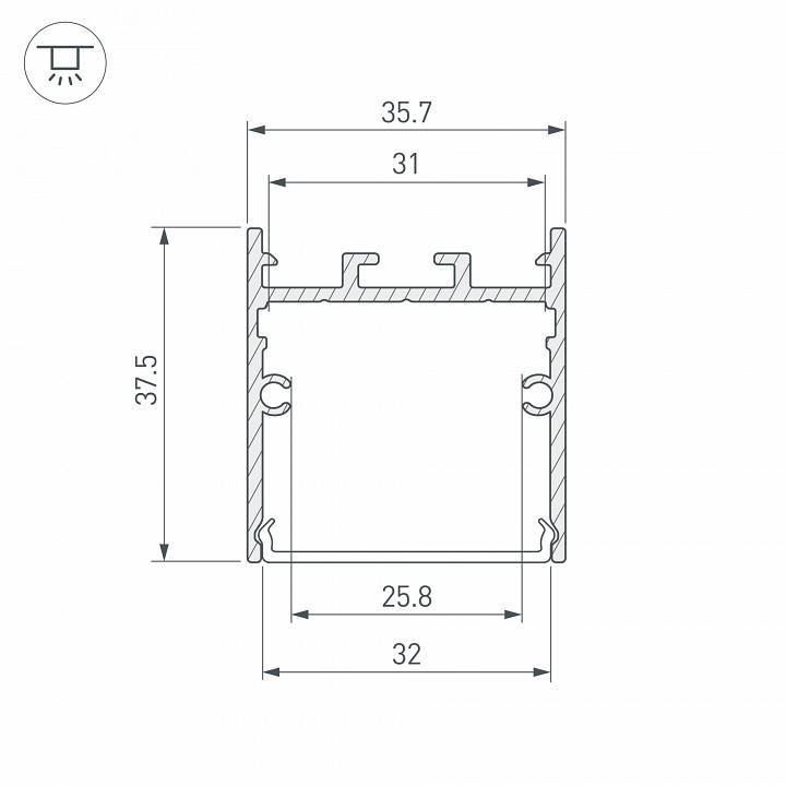
Высота, мм
37.5
Гарантия, месяцы
12
Длина, мм
2000
Дополнительные параметры
КПД профиля: 52 % Рассеиваемая тепловая мощность на 1м: 36.7 Вт Глубина установки источника света: 27 мм Экраны, заглушки и другие аксессуары приобретаются отдельно.
Запись типов
Комплектующие для светильников,Комплектующие для профильных светильников,Профили накладные
Компоненты, входящие в комплект
нет
Масса брутто, кг
0.593
Материал арматуры
алюминий
Необходимые компоненты
рассеиватель, заглушки
Объем упаковки, куб. м
0.00134
Основной цвет
разноцветная
Поверхность арматуры
матовый
Примечание
цена указана за 1 м., отпускается кратно 2 м.
Размеры, мм
2000x35.7x37.5
Серия
SL-LINE
Способ крепления к поверхности
на т-образных направляющих
Цвет арматуры
серый оливковый
Ширина, мм
35.7
Штрих-код
4650168547716

Тип товара

Свет
Да
Отзывов: 0

Нет отзывов об этом товаре.